8..鐵氟龍燒杯採樣器

 
產品名稱:8..鐵氟龍燒杯採樣器
產品簡述: 1. PTFE製。日製。使用延長棒可加長採樣深度。(最多3支)
 
     
產品介紹

 

 

      鐵氟龍燒杯採樣器

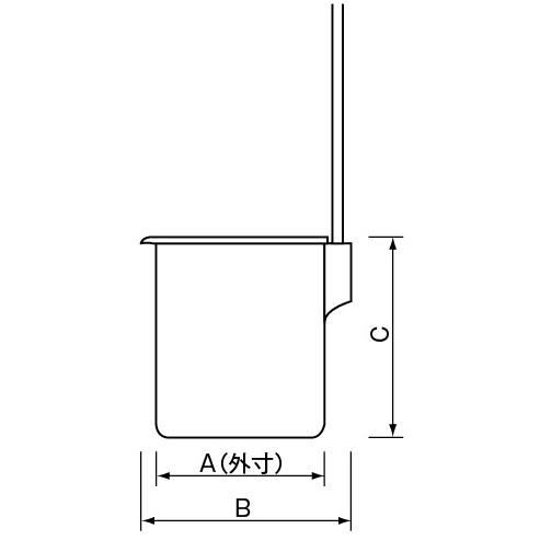
目錄編號

容量(cc)

A(mm)

B(mm)

C(mm)

 全長

樣式

NR1435-01

100

56

78

70

690

燒杯附棒

NR1435-02

250

69

93

94

714

燒杯附棒

NR1435-03

500

83

108

128

740

燒杯附棒

NR1435-04

1000

103

130

155

    775

燒杯附棒

NR1435-05

延長棒

      延長棒640L(mm)

檢舉
izmir sex shop izmir sex shop izmir sex shop izmir sex shop izmir sex shop izmir sex shop izmir sex shop izmir sex shop anal sex istanbul sex shop istanbul sex shop istanbul sex shop istanbul sex shop istanbul sex shop istanbul sex shop istanbul sex shop istanbul sex shop anal sex
istanbul escort istanbul escort istanbul escort vip escort istanbul escort istanbul escort istanbul escort istanbul escort izmir escort
sex shop sex shop sex shop sex shop sex shop sex shop sex shop sms onay sinop otelleri sms onay