38..PTFE算珠型螺帽塞

 
產品名稱:38..PTFE算珠型螺帽塞
產品簡述: 1. PTFE製。日製。 2. 各種鐵氟龍管,活拴的密封使用。
 
     
產品介紹

 

  PTFE算珠型螺帽塞

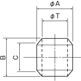
目錄編號

適用管外徑

T(φ)

A(φ)

B

C

NR0076-01

φ2

2.1

4

7

4.5

NR0076-02

φ3

3.1

5

7

4.5

NR0076-03

φ4

4.1

6

7

4.5

NR0076-04

φ6

6.2

9

10

6.0

NR0076-05

φ8

8.2

11

10

6.0

NR0076-06

φ10

10.2

13

10

6.0

NR0076-07

φ12

12.2

16

12

6.0

NR0076-08

φ1/4

6.5

9

10

6.0

NR0076-09

φ3/8

9.7

13

10

6.0

NR0076-10

φ1/2

12.9

16

12

6.0

NR0076-11

φ19

19.2

23

13

6.0

NR0076-12

φ3/4

19.2

23

13

6.0

     (110)                      單位:(mm)

 

檢舉
izmir sex shop izmir sex shop izmir sex shop izmir sex shop izmir sex shop izmir sex shop izmir sex shop izmir sex shop anal sex istanbul sex shop istanbul sex shop istanbul sex shop istanbul sex shop istanbul sex shop istanbul sex shop istanbul sex shop istanbul sex shop anal sex
istanbul escort istanbul escort istanbul escort vip escort istanbul escort istanbul escort istanbul escort istanbul escort izmir escort
sex shop sex shop sex shop sex shop sex shop sex shop sex shop sms onay sinop otelleri sms onay